欢迎来到赫曼(南京)机械技术工程有限公司官网!!
简体中文
English
扫一扫咨询详情
全国咨询热线:
025-85727676
网站首页
关于我们
关于我们
企业文化
产品中心
G Force空气炮
清扫器
清扫箱
调偏托辊
缓冲托床
裙边密封
雾化炮
干雾化抑尘系统
新闻动态
行业新闻
企业新闻
工程案例
矿山
能源
工厂
其他
下载中心
人才招聘
在线留言
联系我们
产品中心
PRODUCT CENTER
G Force空气炮
清扫器
清扫箱
调偏托辊
缓冲托床
裙边密封
雾化炮
干雾化抑尘系统
联系热线
025-85727676
微信号:herman
手 机:025-85727693
企业邮箱:herman@herman-tech.com
地 址:南京市栖霞区龙潭街道小圩路1号
清扫器
当前位置:
主页
>
产品中心
>
清扫器
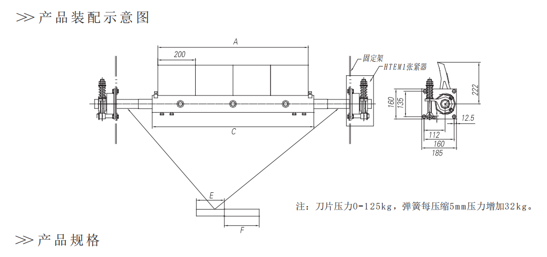
HPC01
重型清扫器 分体刀片,适用于带速3m/s以下的输送皮带,可与HTEO、HTEM型张紧器配置。有耐热、耐寒、防紫外线系 列产品供用户选择。...
联系热线:
025-85727676
立即咨询
产品详情
重型清扫器 分体刀片,适用于带速3m/s以下的输送皮带,可与HTEO、HTEM型张紧器配置。有耐热、耐寒、防紫外线系 列产品供用户选择。
上一篇:
暂无
下一篇:
HPC02
产品推荐
双向空段清扫器
V型空段清扫器
HRC91
HRC90